聯系人:王經理
銷售電話:15610293837
銷售QQ:2962700085
公司地址:山東省濰坊高新區新城街道玉清社區光電路155號濰坊高新區光電產業加速器(一期)1號樓301

PRODUCT CENTER
聯系人:王經理
銷售電話:15610293837
銷售QQ:2962700085
公司地址:山東省濰坊高新區新城街道玉清社區光電路155號濰坊高新區光電產業加速器(一期)1號樓301
漂浮式水質自動監測站又稱水質浮標站,浮標水質監測站,漂浮式水質自動監測站是一種集成了先進傳感器技術、數據采集與處理系統、遠程通信模塊等的高科技設備,能夠漂浮在水面上,實時監測水質參數,如溶解氧、pH值、濁度、溫度、電導率等,并將數據實時傳輸至數據中心進行分析和處理。
一、漂浮式水質自動監測站產品簡介
漂浮式水質自動監測站又稱水質浮標站,浮標水質監測站,漂浮式水質自動監測站是一種集成了先進傳感器技術、數據采集與處理系統、遠程通信模塊等的高科技設備,能夠漂浮在水面上,實時監測水質參數,如溶解氧、pH值、濁度、溫度、電導率等,并將數據實時傳輸至數據中心進行分析和處理。
1.水質浮漂監測站SFA集數據采集、存儲、傳輸和管理于一體的無人值守的采集系統。它在工農業生產、旅游、城市環境監測、地質災害、防洪、供水調度、電站水庫水情管理等為目的水文自動測報系統;功能強大的上位機軟件可遠程觀測實時水雨情信息,具有數據庫、報表、下載等功能,用戶還可利用該功能完善的氣象軟件對記錄的數據作進一步的處理分析。
2.SFA06款浮標是由水質傳感器(水溫、電導率、PH、溶解氧、氨氮、濁度)、數據采集儀、通訊系統、供電系統、整體 支架、水質監測平臺六部分組成。同時可擴展COD、葉綠素、懸浮物等多項水質要素。數據采集儀具有數 據采集、實時時鐘、數據定時存儲、參數設定和標準2G/4G(GPRS)通信功能。
二、漂浮式水質自動監測站產品特點
1.易部署:各類型探頭進行高度集成,安裝方便;提供免費云平臺服務,系統快速上線;
2.易維護:設備安裝后,自行工作即可,無需人工值守,也可以通過遠程監控的方式保障設備的正常運行;
3.易擴展:傳感器探頭均使用統一的通信協議,可以快速對接原設備,快速擴展監測參數;
4.低功耗:設備可以實現低功耗狀態下,長時間運行,增加設備使用的便利性;
5.實時性:設備監測到的數據實時傳輸至云平臺,提升環境數據反饋的及時性。
三、漂浮式水質自動監測站技術參數
1. 主體參數
| 產品名稱 | 描述 |
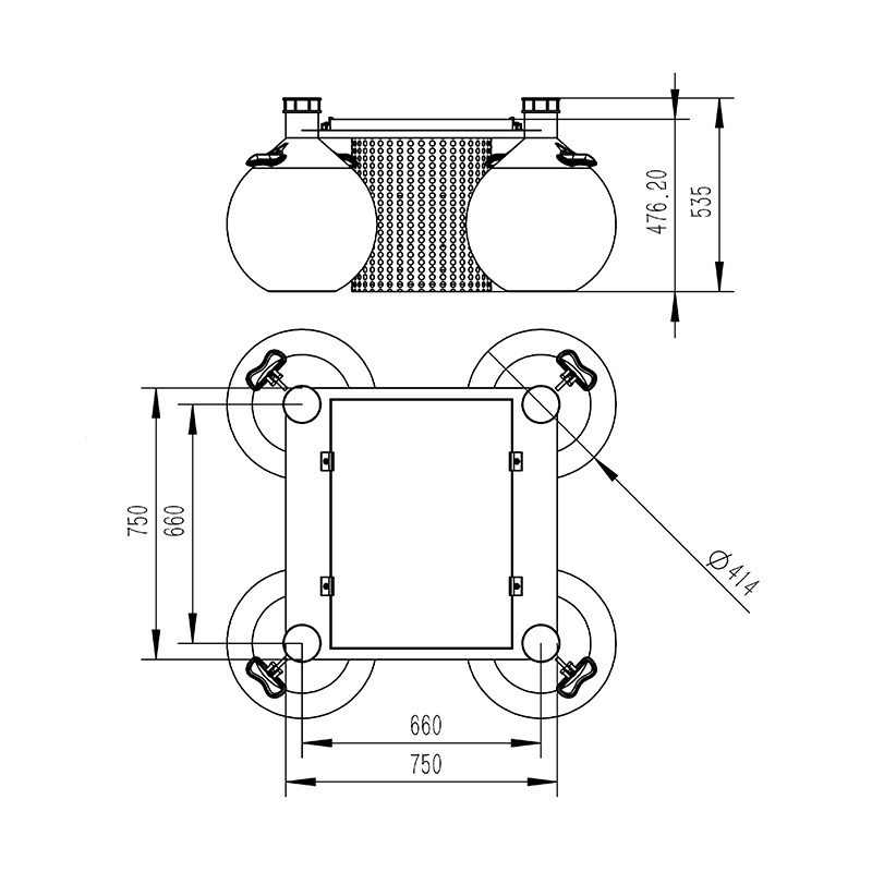
| 環境水質監測浮標 | 可實時實現多路參數在線監測。可實現電池電量監控。可實現云平臺數據監控、數據推送、數據的存儲和報警功能;數據的無線發射功能。峰值功耗為 5W;傳感器功耗 0.25W左右/只。外形尺寸:750mm*750mm*535mm。浮球直徑414mm重量:22kg |
| 采集器數據采集 | 運行可靠,抗干擾,可集成多路RS485/MODBUS-RTU從站設備 |
| 采集器數據輸出 | 1 路 Rs485/JSON協議輸出 |
| 電池 | 鋰電池 12VDC,20AH(默認) |
| 太陽能電池板 | 22.1V/50W(默認) |
| 供電能力 | 定制選型;陰雨天間歇工作 5天以上 |
| 位置指示(選配) | 警示燈;GPS 定位; |
| 監測平臺 | 云平臺;手機/電腦多終端登錄 |
| 防護罩 | 304 不銹鋼濾筒防護罩 |
| 浮體 | 直徑414mm 球形浮體*4工程塑料 |
2.可選配傳感器的主要參數
| 序號 | 名稱 | 測量范圍 | 測量原理 | 測量精度 | 是否標配 | 備注 |
| 1 | 溫度 | 0~50℃ | 高精度數字傳感器 | ±0.3℃ | ? | |
| 2 | pH | 0~14(ph) | 電化學(鹽橋) | ± 0.1PH | ? | |
| 3 | ORP | -1500mv~1500mv | 電化學(鹽橋) | ± 6mv | ||
| 4 | 電導率 | 0~5000uS/cm | 接觸式電極法 | ± 1.5% | ? | |
| 5 | 濁度 | 0~40NTU(低濁) | 散射光法 | ± 1% | 低濁可定制 | |
| 0~1000NTU(中濁) | 散射光法 | ± 1% | 中濁可定制 | |||
| 0~3000NTU(高濁) | 散射光法 | ± 1% | ? | 默認發 | ||
| 6 | 溶解氧 | 0~20mg/L | 熒光壽命法 | ± 2% | ? | |
| 7 | 氨氮 | 0~100mg/l | 離子選擇電極法 | ±1mg | ? | |
| 8 | cod | 0~500mg/ L | UV254 吸收法 | ±5% | 默認發、cod濁度一體;帶有自動清潔器,可防止生物附著,避免光窗污染,以保證長期監測依然具有穩定性;可設置自動清潔時間及清潔次數,功耗0.7W | |
| 濁度 | 0~400NTU | 散射光法 | ± 1% | |||
| 9 | 懸浮物 | 0~2000mg/L | 散射光法 | ±5%(取決于污泥同質性) | ||
| 10 | 葉綠素 | 0~400ug/L | 熒光法 | R2>0.999 | 帶有自動清潔器,可防止生物附著,避免光窗污染,以保證長期監測依然具有穩定性;可設置自動清潔時間及清潔次數,功耗0.7W |
四、產品尺寸圖
五、設備安裝要求
1.遠離大功率無線電發射源
2.遠離高壓輸電線和微波無線電傳送通道
3.盡量靠近數據傳輸網絡
4.遠離強電磁干擾
六、云平臺介紹
1.CS架構軟件平臺,支持手機、PC瀏覽器直接觀測.無需額外安裝軟件。
2.支持多帳號、多設備登錄
3.支持實時數據展示與歷史數據展示儀表板
4.云服務器.云數據存儲,穩定可靠,易于擴展,負載均衡。
5.支持短信報警及閾值設置
6.支持地圖顯示、查看設備信息。
7.支持數據曲線分析
8.支持數據導出表格形式
9.支持數據轉發,HJ-212協議,TCP轉發,http協議等。
10.支持數據后處理功能
11.支持外置運行javascript腳本
WX-PQX10小型便攜式自動氣象站是一種集多種氣象要素監測于一體的微型設備。它通常體積小巧,重量輕便,可以輕松放入拉桿箱中,方便我們隨身攜帶。別看它身材迷你,功能卻十分強大。內置的高精度傳感器能夠實時監測溫度、濕度、風速、風向、氣壓等關鍵氣象參數,讓我們隨時隨地掌握天氣變化的第一手資料。···
WX-Q3農業種植四情監測系統聚焦于農作物生長的四個關鍵“情”態,即墑情、蟲情、病情和苗情。墑情關乎土壤的水分狀況,它是農作物生長的“生命之水”。土壤水分過多或過少,都會影響農作物的根系呼吸和養分吸收。該系統能敏銳感知土壤水分的變化,就像給土壤裝上了“水分感應器”,讓農民及時了解土壤的干濕程度,合理安排灌溉。···
LS300-B便攜式流速測算儀采用輕質材料制成,結構緊湊,重量輕便,便于攜帶和運輸。無論是在河流、湖泊還是水庫等水域,只需一人即可輕松完成流速測量工作。此外,便攜式流速測算儀還具備防水、防塵等特性,適應各種復雜環境,確保測量的準確性和穩定性。便攜式流速測算儀采用先進的傳感器技術和數據處理算法,能夠實現高精度測量。它能夠實時監測水流速度等參數···
WX-PQX12便攜式綜合氣象站能夠實時監測空氣溫度、相對濕度、風速、風向、大氣壓力以及光學雨量等多種氣象要素,為災害預警、評估和救援提供準確的數據支持。在火災、洪澇災害等緊急情況下,這些實時數據對于判斷火勢蔓延趨勢、評估洪水水位變化等至關重要。通過便攜式氣象站的數據,應急管理部門可以迅速掌握災害現場的氣象狀況,為救援行動提供科學依據。···
WX-ZS7在線鹽度儀利用先進的傳感器技術和數據處理算法,能夠實時、準確地測量水體中的電導率,進而推算出鹽度值,為水質評估提供了科學依據。這種非接觸式、自動化的監測方式,大大提高了監測效率和精度,讓水質管理變得更加智能和高效。在線鹽度儀的應用范圍極為廣泛,幾乎涵蓋了所有需要水質監測的領域。在飲用水處理廠,它能夠實時監測原水、處理水及出廠水的電導率變化···
在氣象監測領域,傳統固定站點的方式因地點固定、監測范圍受限等局限性,已難以滿足日益多樣化的氣象監測需求。而小型便攜式自動氣象站的出現,以其創新的移動監測方式,為氣象監測帶來了革命性的變化。WX-PQX10小型便攜式自動氣象站最大的特點在于其“便攜”與“自動”兩大優勢。它體積小巧、重量輕,可以方便地攜帶至任何···