聯系人:王經理
銷售電話:15610293837
銷售QQ:2962700085
公司地址:山東省濰坊高新區新城街道玉清社區光電路155號濰坊高新區光電產業加速器(一期)1號樓301

PRODUCT CENTER
聯系人:王經理
銷售電話:15610293837
銷售QQ:2962700085
公司地址:山東省濰坊高新區新城街道玉清社區光電路155號濰坊高新區光電產業加速器(一期)1號樓301
智慧路燈環境傳感器又稱空氣質量傳感器,環境監測傳感器,智慧路燈環境傳感器用于監測收集城市環境數據,為城市環境監測提供數據支持,可以用于城市環境治理,還可以用于氣象預報、災害預警等領域。
一、 智慧路燈環境傳感器產品簡介
智慧路燈環境傳感器又稱空氣質量傳感器,環境監測傳感器,智慧路燈環境傳感器用于監測收集城市環境數據,為城市環境監測提供數據支持,可以用于城市環境治理,還可以用于氣象預報、災害預警等領域。
空氣質量傳感器又稱智慧路燈環境傳感器,八要素微氣象儀,空氣質量傳感器是一款空氣質量檢測儀,可用于檢測空氣中的風速、風向、溫度、濕度、氣壓、pm2.5、pm10、噪聲等參數,廣泛應用于環境監測方面。
山東萬象環境科技有限公司作為專業研發生產銷售微型氣象儀的企業,一直致力于微型氣象儀和氣象環境解決方案推廣應用。具有完整的生產鏈、實力雄厚的技術團隊和全面的營銷團隊,我們研發生產的超聲波風速風向儀、五要素微氣象儀、六要素微氣象儀和小型自動氣象站等氣象產品,已廣泛應用到氣象監測、城市環境監測、風力發電、航海船舶、航空機場、橋梁隧道等領域,客戶遍布全國各地,并取得了良好的社會效益和經濟效益。
與傳統的微型氣象儀相比,我司產品克服了對高精度計時器的需求,避免了因傳感器啟動延時、解調電路延時、溫度變化而造成的測量不準問題。
WX-WQX8型八要素微氣象儀創新性地將氣象標準參數(風速、風向、溫度、濕度、氣壓、pm2.5、pm10、噪聲)通過一個高集成度結構來實現,可實現戶外氣象參數24小時連續在線監測,通過數字量通訊接口將八項參數一次性輸出給用戶。產品結構緊湊,外形美觀、大方、高度集成。
二、智慧路燈環境傳感器產品特點
1、頂蓋隱藏式超聲波探頭,避免雨雪堆積的干擾,避免自然風遮擋
2、原理為發射連續變頻超聲波信號,通過測量相對相位來檢測風速風向
3、風速、風向、溫度、濕度、氣壓、pm2.5、pm10、噪聲八要素一體式
4、采用先進的傳感技術,實時測量,無啟動風速☆
5、抗干擾能力強,具有看門狗電路,自動復位功能,保證系統穩定運行
6、高集成度,無移動部件,零磨損
7、免維護,無需現場校準
8、采用ASA工程塑料室外應用常年不變色
9、產品設計輸出信號標配為RS485通訊接口(MODBUS協議);可選配232、USB、以太網接口,支持數據實時讀取☆
10、可選配無線傳輸模塊,最小傳輸間隔1分鐘
11、探頭為卡扣式設計,解決了運輸、安裝過程松動不準的問題☆
三、智慧路燈環境傳感器技術參數
1.風速(標配):量程:0~60m/s;分辨率0.01m/s;精度:±0.1m/s(北京市氣象局校準證書)☆
2.風向(標配):量程:0~360°;分辨率:1°;精度:±2°(北京市氣象局校準證書)☆
3.空氣溫度(標配):量程:-40-60℃;分辨率0.01℃;精度:±0.3℃(25℃)(北京市氣象局校準證書)☆
4.空氣濕度(標配):量程:0-100%RH;分辨率:0.01%RH;精度:±3%RH(北京市氣象局校準證書)☆
5.大氣壓力(標配):量程:30-110Kpa;分辨率0.01Kpa;精度:±0.25%(北京市氣象局校準證書)☆
6.PM2.5(標配):量程:0-1000ug/m3;分辨率1ug/m3;精度:±10%(<500微克)
7.PM10(標配):量程:0-1000ug/m3;分辨率1ug/m3;精度:±10%(<500微克)
8.噪聲(標配):量程:30-120dB;分辨率0.1dB;精度:±1.5dB
9.其他可選配要素:壓電雨量、TSP、一氧化碳、二氧化硫、二氧化氮、臭氧、光照度、光學雨量、總輻射、二氧化碳、氧氣含量、硫化氫、氫氣、氯氣、氨氣、氯化氫、氰化氫、氟化氫、磷化氫、二氧化氯、環氧乙烷、一氧化氮、過氧化氫、四氫噻吩、甲醛、VOC、催化燃燒可燃氣
9.功率:0.72W
10.生產企業具有ISO質量管理體系、環境管理體系、職業健康管理體系認證☆
11.生產企業具有專利證書和計算機軟件注冊證書☆
12.生產企業為3A級信用企業
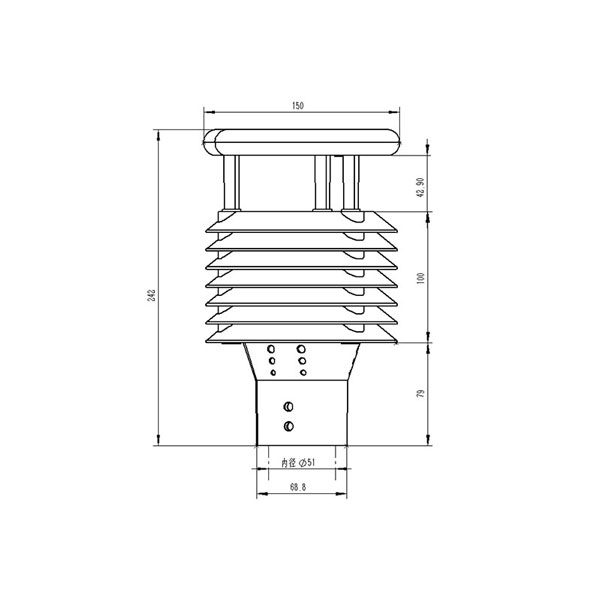
四、智慧路燈環境傳感器產品尺寸圖

五、智慧路燈環境傳感器產品結構圖

1、控制電路
2、指北箭頭
3、超聲波探頭
4、百葉箱PM2.5、PM10
5、溫度、濕度、噪聲、氣壓監測位置
6、法蘭轉換頭
※此產品可選配電子羅盤功能
六、產品接線定義

定義 | 備注 | |
VCC | 電源正 | DC12V |
GND | 電源地 | |
485A | RS485A | |
485B | RS485B |
隨著全球氣候的變化和人類活動的不斷增加,森林火災的頻發已成為一個不容忽視的問題。森林中,火災是一種極具破壞性的自然災害。它不僅會燒毀大片的林木,破壞生態環境,還可能威脅到人們的生命財產安全。因此,森林防火工作顯得尤為重要。而WX-SL10森林防火氣象站,作為森林防火氣象監測的優選工具,在預防和控制森林火災中發揮著不可替代的作用。···
石油化工行業是WX-FBQ1防爆監測系統的典型應用領域。在這個行業中,各種易燃易爆的化學原料和產品在生產過程中不斷流轉,稍有不慎就可能引發火災或爆炸事故。防爆監測系統通過實時監測環境中的溫度、濕度等關鍵參數,能夠及時發現潛在的安全隱患,并觸發預警機制,從而有效避免事故的發生。此外,該系統還能為生產過程中的安全控制提供數據支持,幫助企業優化生產流程,提高生產效率。···
YL1翻斗雨量傳感器其核心部件是一個形如翻斗的裝置。當雨滴落下時,翻斗會根據雨滴的重量和速度發生翻轉,從而觸發傳感器內部的電路系統。這一翻轉過程被精確記錄并轉化為電信號,進而計算出降雨量的大小。這種設計不僅簡單直觀,而且能夠確保測量的準確性和穩定性。在結構上,翻斗雨量傳感器通常由外殼、翻斗、電路系統等部分組成,外殼采用防水設計,能夠有效抵御惡劣天氣對傳感器的侵蝕···
森林火險的危害不言而喻,它不僅會燒毀大片林木,破壞生態平衡,還可能引發山洪、泥石流等自然災害,對人民群眾的生命財產安全構成嚴重威脅。因此,預防森林火險顯得尤為重要。WX-SL10森林火險氣象監測站通過實時監測森林區域的氣象變化,能夠及時發現火險隱患,為森林防火提供科學依據和決策支持?!ぁぁ?/p>
WX-FZ2大氣負氧離子觀測儀,以其精準、高效的監測能力,成為了研究大氣環境、評估空氣質量的重要工具。它不僅能夠實時監測空氣中負氧離子的濃度,還能根據用戶需求擴展監測項目,如溫度、濕度、PM2.5等,為我們提供全方位、多維度的氣象信息。這種靈活性使得觀測儀能夠廣泛應用于城市環境監測、生態旅游規劃、健康養生研究等多個領域。···
為了保證建筑主體結構和外部人員及財產不會受到更大的損害,采取的最有效措施是抗爆,WX-FBQ2防爆氣象五參數儀可以對建筑周圍環境進行監測,一般來說,發生惡性爆炸事件大部分原因都是環境因素,一旦環境溫度過高或者過低都會增加爆炸的風險,所以這款設備將周圍環境監測好了就能隨時掌握爆炸的趨勢,防患于未然?!ぁぁ?/p>